中华新曦鹏健康科技园股份、中华文天金融城股份世界总部(中国长三角)
微信:13310035541
国际世委会中华世运火炬杯
全球行动领导小组总指挥部
中华(国家)世组委中华
世运火炬杯长三角执委会
曦鹏事件全国首案
打伞破网反有组织犯罪
保障改革发展领导小组
新闻动态
您的位置:新闻动态 【返回上一页】
注塑模具制造流程及基本加工工艺
一、接受任务
塑料模具的制作,首先是由客户工程人员提供产品图纸给到模具制造商,制造商通过成型塑料制作的任务要求,收集、分析、消化产品数据的过程,此为接受任务。
1.塑件制作要求
了解制件的用途、工艺性、尺寸精度等技术要求。例如塑料制件在外表形状、颜色透明度、使用性能方面的要求是什么,塑件的几何结构、斜度、嵌件等情况是否合理,熔接痕、缩孔等成型缺陷的允许程度,有无涂装、电镀、丝印、钻孔等后加工。
估计成型公差是否低于塑料制件的公差,能否成型出合乎要求的塑料制件。此外,还要了解塑料的塑化及成型工艺参数。
2.工艺资料
了解进胶方式、啤机型号、塑料材料性能、模具结构类型等要求。
成型材料应当满足塑料制件的强度要求,具有好的流动性、均匀性和各向同性、热稳定性。根据塑料制件的用途和是否后加工,成型材料应满足染色、镀金属的条件、装饰性能、必要的弹性和塑性、透明性或者反射性能、胶接性(如超声)或者焊接性等要求。
3.选择成型设备
注射容量、锁模压力、注射压力、模具安装尺寸、顶出装置及尺寸、喷嘴孔直径及喷嘴球面半径、浇口套定位圈尺寸、模具最大厚度和最小厚度、模板行程等。
4.模具具体结构方案
两板模,三板模。模具结构是否可靠,是否满足塑料制件的工艺技术(如几何形状、表明光洁度和尺寸精度等)和生产经济要求(制件成本低,生产效率高,模具能连续工作,使用寿命长,节省劳动力等)。
二、模具设计
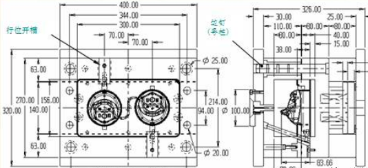
1.胶件排位
胶件排位是指据客户要求,将所需的一种或多种胶件按合理注塑工艺、模具结构进行排列。
胶件排位与模具结构、塑胶工艺性相辅相成,并直接影响着后期的注塑工艺,排位时必须考虑相应的模具结构,在满足模具结构的条件下调整排位。
从注塑工艺角度排位需考虑以下几点:
a、流道长度;
b、流道废料;
c、浇口位置;
d、进胶平衡;
e、型腔压力平衡。
从模具结构角度需考虑一下几点:
a、满足封胶要求
b、满足模具结构空间要求:铲基,行位,斜顶等空间要求,模具结构件是否足够强度,多个运动件是否干涉,司筒位置要避开顶棍孔位置等。
c、充分考虑螺钉、冷却水及顶出装置:排位需注意螺丝、顶针对冷却水孔的影响。
d、模具长宽比例是否协调:模具尽量紧凑,长宽比例适当,同时要考虑注射机安装要求。
2.报价图的绘制及订料
a、报价图是模具的最初设计方案,也为模具订料提供参考说明。报价图是在原来排模的基础上,对模具模胚及其结构和模肉料大小作的一个相对详细的标识。

3.模具结构设计
模具结构是由注射机类型和胶件特点所决定。设计时着重从以下方面考虑:
(1)注塑机的技术规格;
(2)塑胶的工艺性能;
(3)浇注系统,包括流道、浇口等;
(4)成型零部件;
(5)常用结构零部件;
(6)行位机构;
(7)顶出机构;
(8)模具温度控制;
(9)排气;
(10)模具材料。
模具设计需综合考虑各种因素,选择合理结构形式,满足模具成形目的。
a、胶件排位
在3D设计阶段,此时排位根据设计开始的2D排位做更深入的设计。
b、分模
选择正确的分型面,考虑封胶距离,构建基准平面,平衡侧向压力,平坦唧嘴碰面,细小孔的碰插穿处理,避免产生尖钢,综合考虑产品外观等等需考虑好。
c、模具强度的校核与提高
为满足模具能够正常工作,不仅要校核模具的整体性强度,也要校核模具局部结构的强度。
针对具体机构作某些改进,提高局部强度:



